| Size23 57000系列混合式直线步进电机(1.8°步距角) | |||||||
| Part No. | 固定轴式 | 57CA4(X)-V | |||||
| 贯通轴式 | 57NA4(X)-V | ||||||
| 外部驱动式 | 57EA4(X)-V | ||||||
| 绕组类型 | 双极性 | ||||||
| 额定电压 | 3.25V | 5V | 12V | ||||
| 额定电流 | 2A | 1.3A | 0.54A | ||||
| 每相电阻 | 1.63Ω | 3.85Ω | 22.2Ω | ||||
| 每相电感 | 3.5mH | 10.5mH | 47mH | ||||
| 功耗 | 13W | ||||||
| 温升 | 75°C | ||||||
| 重量 | 511g | ||||||
| 绝缘电阻 | 20MΩ | ||||||
标准电机的绝缘等级为B级,额定最高温度为130℃。特殊需求可咨询18015052878
步长代码表:
| 螺杆直径 | 步长(mm) | 导程(mm) | 步长编码 | 螺杆直径 | 步长(mm) | 导程(mm) | 步长编码 |
| φ9.53 | 0.0079375 | 1.5875 | A | φ9.53 | 0.0211 | 4.22 | T |
| φ9.53 | 0.015875 | 3.175 | B | φ9.53 | 0.010584 | 2.1168 | S |
| φ9.53 | 0.03175 | 6.35 | C | φ9.53 | 0.0127 | 2.54 | 3 |
| φ9.53 | 0.047625 | 9.525 | MJ | φ9.53 | 0.0254 | 5.08 | 1 |
| φ9.53 | 0.0635 | 12.7 | Y | φ9.53 | 0.0508 | 10.16 | 2 |
| φ9.53 | 0.0127 | 2.54 | Z | φ9.53 | 0.00635 | 1.27 | 9 |
| φ9.53 | 0.003175 | 0.635 | 7 |
惠勒电机可以根据客户的设计要求定制丝杆的直径和导程
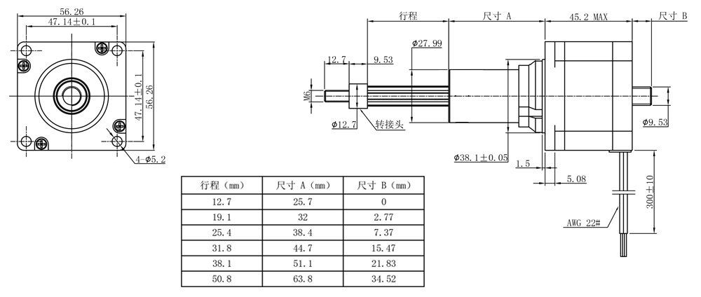
固定轴式
最大行程50.8mm

贯通轴式

外部驱动式

57000系列 Size23电机的速度与推力曲线图
双极·恒流斩波驱动·螺杆直径φ9.53

以上斩波曲线在电机绕组电压2.33V和电源供电电压24V下作出的
